Zum Hauptinhalt springen Zur Suche springen Zur Hauptnavigation springen
Umweltfreundlicher Versand
Erweiterte Rückgabefrist
Kostenloser Versand ab 100€

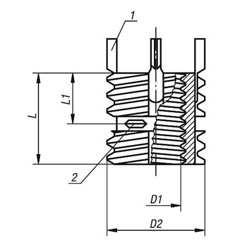
Einschraubmutter Gewindeeinsatz 07664-104

Der Gewindeeinsatz 07664-104 ist die ideale Lösung, um beschädigte oder ausgerissene Gewindebohrungen schnell und effektiv zu reparieren. Hergestellt aus hochwertigem Edelstahl und mit einer passivierten Ausführung versehen, bietet er hervorragende Langlebigkeit und Stabilität.

Dank des durchdachten Designs lässt sich der Gewindeeinsatz mühelos in verschiedenen Werkstoffen, einschließlich Leichtmetallen und Gussteilen, einsetzen. Der Einbau ist sowohl schnell als auch unkompliziert, da lediglich ein Einbauwerkzeug benötigt wird - weitere Sonderwerkzeuge sind nicht erforderlich. Die fixierenden Keile sorgen dafür, dass der Einsatz stabil und sicher bleibt, auch unter Belastung oder Vibrationen.

Mit einem Innengewinde von M4 und einem Außengewinde von M8 eignet sich dieser Gewindeeinsatz für eine Vielzahl von Anwendungen. Seine optimierten Maße und Toleranzen garantieren eine passgenaue Installation und eine zuverlässige Funktionalität. Damit ist der Gewindeeinsatz 07664-104 nicht nur eine praktische Wahl zur Wiederverwendung, sondern trägt auch zur Ressourcenschonung und Nachhaltigkeit bei.

Eigenschaften
Ausbau Bohrer Ø: 5,5
Ausbau Bohrtiefe: 4,0
Ausführung 1: selbstsichernd
Benennung: Gewindeeinsatz
Bestellnummer Einbauwerkzeuge: 07661-804
D1 Innengewinde: M4
D2 Außengewinde: M8
Einbau Bohrer Ø: 6,9
Einbau Gewinde- bohrer: M8
Einbau Mindest- Gewindetiefe: 9,5
Einbau Senk Ø +0,25: 8,3
Gewicht: 0,0014 KG
L1 Länge: 4
L Länge: 8
Material Grundkörper: Edelstahl

Ähnliche Artikel

Böllhoff Gewindeeinsatz M6 x 14mm | Flansch-Ø 10mm | Bef.Loch-Ø 9.4mm | 10 Stück | Stahl
Entdecken Sie den zuverlässigen und vielseitigen Böllhoff Gewindeeinsatz aus hochwertigem Stahl, der sich mit einem M6-Gewinde auszeichnet. Mit einem Flanschdurchmesser von 10 mm und einer Nenntiefe von 14 mm ist dieser Gewindeeinsatz die ideale Lösung für unterschiedlichste Anwendungen in den Bereichen Metall, Kunststoff und Verbundmaterialien. Das galvanisierte Finish sorgt für zusätzlichen Schutz und erhöhte Langlebigkeit, während die spezielle Konstruktion mit einem Schlitzfräser eine einfache Installation ermöglicht.Diese selbstschneidenden Gewindeeinsätze zeichnen sich durch ihre innovative Federwirkung aus, die ein sicheres Festziehen der Schraube gewährleistet. Mit einem Befestigungslochdurchmesser von 9,4 mm und einem Nennaußendurchmesser von 10 mm sind sie unglaublich flexibel einsetzbar.Ideal für Profis und Hobbyhandwerker, bietet dieser Gewindeeinsatz nicht nur Stabilität, sondern auch eine benutzerfreundliche Handhabung in verschiedenen Materialien.

Inhalt: 100 Stück (0,61 €* / 1 Stück)

60,99 €*
Böllhoff Gewindeeinsatz M5 x 10mm aus Stahl | Einschraubmutter für sichere Befestigungen
Entdecken Sie den hochwertigen Böllhoff Gewindeeinsatz aus robustem Stahl, perfekt geeignet für vielseitige Anwendungen. Mit einer Gewindegröße von M5 und einer Nenntiefe von 10mm bietet dieser selbstschneidende Gewindeeinsatz eine zuverlässige Lösung für die Sicherung und Verbindung von Materialien. Das galvanisierte Finish schützt vor Korrosion und gewährleistet eine lange Lebensdauer.Dank der speziellen Konstruktion mit einem Schlitzfräser sind diese Einsätze optimal für verschiedene Werkstoffe, einschließlich Metall, Kunststoff und Verbundmaterialien. Die innovative Federwirkung sorgt dafür, dass sich der Einsatz beim Eindrehen der Schraube zusammenzieht und eine feste Verbindung schafft. Ideal für den Einsatz in der verarbeitenden Industrie, wo Stabilität und Sicherheit unerlässlich sind.

Inhalt: 100 Stück (0,75 €* / 1 Stück)

74,99 €*
Einschraubmutter - Gewindeeinsatz 07663-110
Der Gewindeeinsatz 07663-110 ist die ideale Lösung zur Wiederverwendung und Reparatur von beschädigten Gewindebohrungen. Hergestellt aus hochwertigem, passiviertem Edelstahl, bietet dieser Gewindeeinsatz nicht nur hervorragende Festigkeit, sondern auch eine zuverlässige Funktion in unterschiedlichen Materialien, einschließlich Leichtmetallen und Gussteilen. Der unkomplizierte und schnelle Einbau wird durch das mitgelieferte Einbauwerkzeug erleichtert, es sind keine zusätzlichen Spezialwerkzeuge erforderlich. Der Einsatz wird durch Keile fixiert, die ein Verdrehen verhindern und somit eine stabile Verbindung gewährleisten. Besonders für Innengewinde bis M10 geeignet, sorgt dieser Gewindeeinsatz dafür, dass auch festgefressene oder ausgerissene Gewindebohrungen effektiv repariert werden können. Dies stellt sicher, dass wertvolle Produkte wiederverwendet werden können, was letztendlich zur Reduzierung von Ausschuss führt. Zusätzlich ermöglicht der Gewindeeinsatz eine Betriebssicherheit, die entscheidend ist, wenn Vibration und Verwindung auftreten. Das Produkt bietet eine klare Anleitung zur Montage, einschließlich der relevanten Maße und Toleranzen. Verlassen Sie sich auf Qualität und Funktionalität mit dem 07663-110 Gewindeeinsatz – für langlebige und robuste Verbindungen.

17,99 €*
Gewindeeinsatz 07661-20 - Einschraubmutter
Der Gewindeeinsatz 07661-20 ist die ideale Lösung für die Reparatur und Wiederverwendung beschädigter Gewindebohrungen. Er ermöglicht eine einfache und effektive Wiederherstellung der Funktionalität, auch in anspruchsvollen Anwendungen. Mit einem verstärkten Querschnitt bietet er eine erhöhte Belastbarkeit, sodass er sich hervorragend für verschiedene Werkstoffe eignet, darunter Leichtmetalle und Gussteile. Der Einbau gestaltet sich leicht und schnell, da keine zusätzlichen Werkzeuge benötigt werden – bis auf das Standard-Einbauwerkzeug. Die durchdachte Konstruktion mit Arretierkeilen sorgt dafür, dass der Einsatz fest sitzt und ein Verdrehen durch Vibrationen oder mechanische Belastungen ausgeschlossen ist. Dank der Materialwahl aus hochwertigem Stahl oder Edelstahl und der passivierten Ausführung ist der Gewindeeinsatz nicht nur langlebig, sondern auch resistent gegen Korrosion. Dies gewährleistet eine zuverlässige Leistung über einen langen Zeitraum. Egal ob in handwerklichen oder industriellen Anwendungen, dieser Gewindeeinsatz bietet die benötigte Stabilität und Benutzerfreundlichkeit. Entscheiden Sie sich für den Gewindeeinsatz 07661-20 und profitieren Sie von einer effektiven Lösung zur Reparatur und Stabilisierung Ihrer Gewindebohrungen. Er ist die kosteneffiziente Wahl für alle, die auf Qualität und Effizienz setzen.

29,99 €*
Einschraubmutter Gewindeeinsatz 07661-14X15
Entdecken Sie die Vorteile unseres robusten Gewindeeinsatzes, der speziell für Anwendungen mit erhöhten Belastungen und anspruchsvollen Werkstoffen entwickelt wurde. Dieser Einsatz ermöglicht die Reparatur und Wiederverwendung beschädigter Gewindebohrungen, wodurch qualitativ hochwertige Produkte erhalten bleiben und Ausschuss vermieden wird. Der Gewindeeinsatz ist einfach und schnell zu installieren, ohne dass zusätzliches Spezialwerkzeug erforderlich ist. Er wird mit einem innovativen Keilsystem fixiert, das ein Verdrehen des Einsatzes durch Vibrationen oder mechanische Belastungen effektiv verhindert. Schwankungen in den Maßen werden mit einer Toleranz von ±0,25 mm berücksichtigt, was die Präzision und Zuverlässigkeit bei der Anwendung erhöht. Hergestellt aus hochwertigem Stahl oder Edelstahl und mit einer passivierten Ausführung versehen, ist dieser Gewindeeinsatz sowohl für die Anwendung in Leichtmetallen als auch in Gussteilen geeignet. Vor allem Einsätze mit Innengewinde größer als M6 kommen mit vier Arretierkeilen, was die Festigkeit und Stabilität nochmals steigert. Dieser Gewindeeinsatz ist Ihre ideale Lösung für beschädigte Gewinde, die wiederhergestellt werden müssen, und bietet Ihnen eine erstklassige Leistung bei der Wiederverwendung von Materialien.

14,99 €*
Gewindeeinsatz 07661-116X15 - Einschraubmutter
Entdecken Sie den Gewindeeinsatz 07661-116X15, eine innovative Lösung zur Reparatur und Wiederverwendung beschädigter Gewindebohrungen. Unsere Gewindeeinsätze bestehen aus hochwertigem Edelstahl und sind sowohl für Stahl als auch für Leichtmetalle und Gussteile bestens geeignet. Sie arbeiten effizient und schnell, ohne dass spezielle Werkzeuge zusätzlich benötigt werden. Durch den stärkeren Querschnitt sind sie optimal für Anwendungen mit erhöhter Belastung. Der Einbau gestaltet sich einfach und benutzerfreundlich. Das Produkt wird mithilfe von Arretierkeilen fixiert, was ein Verdrehen bei Vibrationen oder Verwindungen verhindert. Der Gewindeeinsatz selbst sorgt dafür, dass selbst hochwertige Produkte wiederverwendbar sind und Ausschuss zurückgeholt wird. Auf diese Weise tragen Sie aktiv zur Ressourcenschonung bei und profitieren gleichzeitig von einer langlebigen Lösung. Die präzise Verarbeitung gewährleistet, dass die Gewindeeinsätze die Toleranzklasse mittel erfüllen, was eine hohe Passgenauigkeit sicherstellt. Mit einem Innendurchmesser von M16x1,5 und einem Außengewinde von M22x1,5 sind sie vielseitig einsetzbar. Das geringe Gewicht von nur 0,025 kg und die kompakten Maße machen sie zum idealen Begleiter in jedem Werkstatt- und Bauprojekt. Setzen Sie auf Qualität und Effizienz mit unseren Gewindeeinsätzen, die nicht nur die Funktionalität Ihrer Produkte erhöhen, sondern auch eine nachhaltige Verwendung ermöglichen.

27,99 €*
Gewindeeinsatz 07660-106 für Einschraubmutter
Der Gewindeeinsatz 07660-106 ist die perfekte Lösung zur Wiederverwendung und Reparatur von beschädigten Gewindebohrungen. Er ermöglicht eine einfache und schnelle Integration in verschiedenen Materialien, sei es Stahl, Edelstahl oder auch Leichtmetalle und Gussteile. Dank seiner passivierten Ausführung bietet dieser Gewindeeinsatz nicht nur eine hohe Beständigkeit, sondern auch eine unkomplizierte Handhabung. Der Einbau erfolgt schnell und unkompliziert, da neben dem Einbauwerkzeug keine weiteren Spezialwerkzeuge notwendig sind. Der Einsatz wird durch robuste Arretierkeile gesichert, die ein Verdrehen bei Vibrationen oder Verwindungen wirkungsvoll verhindern. Besonders hervorzuheben ist die Möglichkeit, hochwertige Produkte wieder nutzbar zu machen, indem ausgerissene oder festgefressene Gewindebohrungen repariert werden. Mit einem Innengewinde von M6 und einem Außengewinde von M10x1,25 ist dieser Gewindeeinsatz für eine Vielzahl von Anwendungen geeignet und ermöglicht eine präzise Anpassung an die Anforderungen Ihrer Projekte. Vertrauen Sie auf die Qualität und Leistungsstärke des Gewindeeinsatzes 07660-106 und optimieren Sie Ihre Reparatur- und Wiederverwendungsmöglichkeiten.

13,99 €*
Einschraubmutter 07661-116 - Gewindeeinsatz
Unser Gewindeeinsatz ist die ideale Lösung für anspruchsvolle Anwendungen, bei denen es auf Stabilität und Langlebigkeit ankommt. Hergestellt aus hochwertigem Edelstahl, garantiert dieser Einsatz eine hervorragende Leistung und Wiederverwendbarkeit, selbst bei beschädigten oder abgerissenen Gewindebohrungen. Er ermöglicht eine schnelle und einfache Reparatur, ohne dass zusätzliche Spezialwerkzeuge benötigt werden. Besonders hervorzuheben ist der verstärkte Querschnitt, der für Anwendungen mit erhöhter Belastung konzipiert wurde. Seine innovative Konstruktion bietet optimalen Halt und verhindert das Verdrehen des Einsatzes durch Verwindungen oder Vibrationen. Dank einer präzisen Arbeitsweise ist der Einbau nicht nur effizient, sondern spart auch wertvolle Zeit und Ressourcen. Dieser Gewindeeinsatz eignet sich für eine Vielzahl von Werkstoffen, einschließlich Leichtmetallen und Gussteilen, und ist somit vielseitig einsetzbar. Mit einem Innendurchmesser von M16 und einem Außendurchmesser von M22x1,5 lässt er sich mühelos in verschiedene Anwendungen integrieren. Vertrauen Sie bei Ihren technischen Herausforderungen auf die Robustheit und Qualität unserer Gewindeeinsätze und profitieren Sie von einer zuverlässigen Lösung, die auch nach vielen Anwendungen ihre Funktionalität behält.

26,99 €*
Einschraubmuffe RAMPA TYP SKD330 - M10x25, verzinkt-blau, Bund: 18.5 mm
RAMPA Einschraubmuffe TYP SKD330 M10x 25 AD:18.5 verzink-blau mit BundDie RAMPA Einschraubmuffe bietet eine innovative Lösung für Ihre Befestigungsbedürfnisse. Hergestellt aus hochwertigem Stahl und mit einer verzinkt-blauen Oberfläche ausgestattet, gewährleistet sie nicht nur Langlebigkeit, sondern auch eine ansprechende Optik. Dank des patentierten 3-Gang-Gewindes wird eine unkomplizierte und schnelle Verarbeitung erreicht, sodass Sie zuverlässig arbeiten können, ohne dass es zu Verkanten kommt. Mit einem Durchmesser von 18,5 mm und einer Länge von 25 mm ist diese Muffe ideal für den Einsatz in verschiedenen Holz- und Kunststoffwerkstoffen geeignet. Zudem sorgt der Innensechskant für einen optimalen Halt und eine ausgezeichnete Tragfähigkeit im Einschraubbereich. Vertrauen Sie auf die Qualität und Funktionalität der RAMPA Einschraubmuffe TYP SKD330 für Ihre Projekte.

10,99 €*
Gewindeeinsatz 07662-18X15 - Einschraubmutter
Der Gewindeeinsatz 07662-18X15 ist die ideale Lösung für das Problem zu groß gebohrter Gewindelöcher oder nicht eingehaltenen Bohrabständen. Hergestellt aus hochwertigem Stahl und passiviert, ermöglicht dieser Einsatz die Wiederverwendung und Reparatur von beschädigten Gewindebohrungen, wodurch die Ausschussrückgewinnung von hochwertigen Produkten gefördert wird. Dank seiner vielseitigen Einsatzmöglichkeiten in unterschiedlichen Materialien, darunter Leichtmetalle und Gussteile, bietet der Gewindeeinsatz eine äußerst flexible Lösung. Der Einbau erfolgt schnell und unkompliziert, da außer dem Einbauwerkzeug keine weiteren Sonderwerkzeuge benötigt werden. Der Einsatz wird mit speziellen Keilen fixiert, um ein Verdrehen aufgrund von Verwindungen oder Vibrationen zu vermeiden. Die präzise Ausführung und eine mittlere Toleranzklasse machen diesen Gewindeeinsatz besonders verlässlich. Mit einer Länge von 18 mm und einem Außengewinde von M18x1,5 passt der Einsatz perfekt in die entsprechenden Gewindebohrungen und garantiert eine Mindest-Gewindetiefe von 20,5 mm für optimalen Halt. Vertrauen Sie auf Qualität und Funktionalität mit dem Gewindeeinsatz 07662-18X15 und beseitigen Sie mühelos beschädigte Gewinde.

37,99 €*
Einschraubmutter Standard - Edelstahl M08 | M12x1,25
Der GEWINDEEINSATZ STANDARD aus hochwertigem Edelstahl bietet Ihnen eine zuverlässige Lösung zur Reparatur und Wiederverwendung von beschädigten Gewindebohrungen. Ob in Stahl, Leichtmetallen oder Gussteilen, dieser Gewindeeinsatz ermöglicht es, selbst festgefressene Gewinde effektiv zu reparieren und wertvolle Produkte vor der Entsorgung zu bewahren. Mit einem Innengewinde von M8 und einem Außengewinde von M12x1,25 eignet sich der Einsatz für eine Vielzahl an Anwendungsmöglichkeiten.Dank des einfachen und schnellen Einbaus, der keine speziellen Werkzeuge erforderlich macht, können Sie den Einsatz mit Leichtigkeit und Sicherheit installieren. Die Fixierung durch Keile sorgt dabei für Stabilität und verhindert das Verdrehen des Einsatzes durch Vibrationen oder Verwindungen.Der GEWINDEEINSATZ wird in den USA hergestellt und entspricht den Toleranzklassen, was eine hohe Präzision und Qualität garantiert. Vertrauen Sie auf diesen Gewindeeinsatz, um Ihre Projekte professionell und nachhaltig umzusetzen.

8,99 €*
Einschraubmutter Gewindeeinsatz 07664-110 - Hochwertige Befestigungslösung
Erleben Sie die Lösung für beschädigte Gewindebohrungen mit unserem hochwertigen Gewindeeinsatz. Dieser spezielle Einsatz aus Edelstahl ist passiviert und bietet nicht nur die Möglichkeit zur Reparatur, sondern auch zur Wiederverwendung von hochwertigem Material. Ob in Leichtmetallen oder Gussteilen – unsere Gewindeeinsätze sind für unterschiedlichste Werkstoffe geeignet und garantieren Ihnen eine zuverlässige Leistung. Mit einem einfachen und schnellen Einbauprozess können Sie im Handumdrehen die Funktionalität Ihrer Gewindebohrungen wiederherstellen. Einbauwerkzeug ist alles, was Sie benötigen - keine speziellen Werkzeuge sind erforderlich. Der Einsatz wird sicher mit Keilen fixiert, um zu verhindern, dass er sich durch Vibrationen oder Verwindungen verdreht. Für Einsätze mit einem Innengewinde größer als M6 sorgen vier Arretierkeile für noch mehr Stabilität und Sicherheit. Unser Gewindeeinsatz vereint praktische Anwendung mit einfacher Handhabung und eignet sich dadurch bestens für den professionellen Einsatz in verschiedenen Anwendungen. Optimiere die Lebensdauer deiner Produkte und reduziere Ausschuss mit unserem effektiven Gewindeeinsatz. Der technische Hinweis und die Maßtoleranzen stellen sicher, dass Sie immer die beste Passform erhalten.

17,99 €*
Gewindeeinsatz 20x15 - Einschraubmutter 07662
Der Gewindeeinsatz 07662-20X15 ist die ideale Lösung für die Reparatur und Wiederverwendung von beschädigten Gewindebohrungen. Hergestellt aus hochwertigem Stahl und passiviert, bietet dieses Produkt eine hervorragende Langlebigkeit und Robustheit. Der Einsatz eignet sich perfekt für durch zu große gebohrte Gewindelöcher oder nicht eingehaltene Bohrabstände und kann in verschiedenen Materialien, einschließlich Leichtmetallen und Gussteilen, verwendet werden. Mit einem Einbaugewicht von nur 0,043 kg wird der Einbau zum Kinderspiel, wobei keine speziellen Werkzeuge außer dem Einbauwerkzeug erforderlich sind. Dank der speziellen Bauweise wird der Gewindeeinsatz durch Keile fixiert, was ein Verdrehen aufgrund von Verwindungen oder Vibrationen verhindert und einen leichten sowie schnellen Einbau ermöglicht. Die zulässigen Maßabweichungen garantieren, dass das Produkt einfach und präzise angewandt werden kann. Produktdetails wie die Bohrtiefe von 4,8 mm, Außengewinde von M20x1,5 und eine Einbautiefe von mindestens 22,5 mm machen diesen Gewindeeinsatz zu einem unverzichtbaren Werkzeug in jeder Werkstatt. Schützen Sie Ihre hochwertigen Produkte und fördern Sie ihre Langlebigkeit mit dem Gewindeeinsatz 07662-20X15.

43,99 €*
Gewindeeinsatz 07662-30X2 - Einschraubmutter
Erleben Sie mit unserem hochwertigen Gewindeeinsatz eine optimale Lösung für zu groß gebohrte Gewindelöcher oder nicht eingehaltene Bohrabstände. Dieser Gewindeeinsatz ermöglicht eine effektive Wiederverwendung und Reparatur beschädigter Gewindebohrungen, was Ihnen hilft, Kosten zu sparen und wertvolle Ressourcen zu schonen. Die Verwendung hochwertiger Materialien wie Stahl in passivierter Ausführung garantiert eine hohe Stabilität und Langlebigkeit, während der leichte und schnelle Einbau, der ohne zusätzliche Sonderwerkzeuge auskommt, Ihnen Zeit und Mühe spart. Der Einsatz wird sicher mit Keilen fixiert, was ein Verdrehen bei Verwindungen oder Vibrationen effizient verhindert. Unser Gewindeeinsatz eignet sich hervorragend für verschiedene Werkstoffe, einschließlich Leichtmetallen und Gussteilen, und ist die ideale Wahl, um hochwertige Produkte vor Ausschuss zu bewahren. Vertrauen Sie auf eine unkomplizierte Handhabung, die durch die benutzerfreundliche Bedienungsanleitung unterstützt wird. Mit einer Gesamtlänge von 30 mm und einem Außengewinde von M30x2 bietet dieser Gewindeeinsatz eine zuverlässige Lösung für Ihre Anforderungen. Wählen Sie unseren Gewindeeinsatz und profitieren Sie von der Qualität und Zuverlässigkeit, die Ihr Projekt erfolgreicher machen.

62,99 €*
Gewindeeinsatz 07660-110 - Einschraubmutter
Der Gewindeeinsatz 07660-110 ist die ideale Lösung zur Wiederverwendung und Reparatur beschädigter Gewindebohrungen. Hergestellt aus hochwertigem Edelstahl, ermöglicht dieser Einsatz eine zuverlässige Verbindung in unterschiedlichsten Werkstoffen, einschließlich Leichtmetallen und Gussteilen.Die Montage gestaltet sich unkompliziert und zeitsparend: Der Einsatz wird mit speziellen Arretierkeilen fixiert, die sicherstellen, dass ein Verdrehen durch Verwindungen oder Vibrationen verhindert wird. Ein weiterer Vorteil ist, dass für den Einbau lediglich ein Standardwerkzeug benötigt wird, wodurch sich die Handhabung erheblich vereinfacht.Mit einer Gewindeadimension von M10 für das Innengewinde und M14x1,5 für das Außengewinde bietet dieser Einsatz eine dauerhafte Lösung, um die Funktionalität hochwertiger Produkte wiederherzustellen. Die technischen Maße sind optimal abgestimmt, mit einer minimalen Gewindetiefe von 15,5 mm, um die notwendige Stabilität zu gewährleisten. Vertrauen Sie auf den Gewindeeinsatz 07660-110 als zuverlässige Wahl für Ihre Reparatur- und Umrüstungsprojekte.Bitte beachten Sie die entsprechenden Hinweise zur Installation in der Bedienungsanleitung, um die besten Ergebnisse zu erzielen.

15,99 €*
Verstärkter Gewindeinsatz aus Edelstahl - M10, M16x1,5 | Einschraubmutter
Erleben Sie die Vorteile des Gewindeeinsatzes verstärkt aus hochwertigem Edelstahl, speziell entwickelt zur Reparatur und Wiederverwendung von beschädigten oder ausgerissenen Gewindebohrungen. Mit einer erstklassigen passivierten Ausführung gewährleisten unsere Einsätze die nötige Stabilität und Langlebigkeit, selbst unter hohen Belastungen. Dieser Gewindeeinsatz (M10, M16x1,5) zeichnet sich durch einen stärkeren Querschnitt aus, was ihn ideal für Anwendungen macht, die zusätzliche Festigkeit erfordern. Der einfache und schnelle Einbau wird durch innovative Keilmechanismen unterstützt, die ein Verdrehen aufgrund von Vibrationen verhindern. Hierbei sind keine speziellen Werkzeuge erforderlich, abgesehen von unserem hochwertigen Einbauwerkzeug. Dank einer ausgeklügelten Konstruktion eignen sich unsere Gewindeeinsätze nicht nur für Stahl oder Edelstahl, sondern auch für Leichtmetalle und Gussteile. Mit einer minimalen Gewindetiefe von 18,5 mm und einem geeigneten Bohrdurchmesser sind sie vielseitig einsetzbar. Dieser verlässliche Gewindeeinsatz wird auch in den USA hergestellt und erfüllt die europäischen RoHS-Vorgaben für die Materialzusammensetzung. Vertrauen Sie der Qualität und Effizienz unserer Gewindeeinsätze und optimieren Sie Ihre Reparatur- und Montagesituationen mit Leichtigkeit.

9,99 €*
Einschraubmutter Gewindeeinsatz 07661-12
Der Gewindeeinsatz 07661-12 bietet eine zuverlässige Lösung zur Reparatur und Wiederverwendung beschädigter Gewindebohrungen. Hergestellt aus hochwertigem Stahl sorgt dieser verstärkte Einsatz für eine erhöhte Belastbarkeit und ist ideal für verschiedenste Materialien, einschließlich Leichtmetalle und Gussteile. Der Einbau gestaltet sich dank des cleveren Designs unkompliziert und schnell; es sind keine speziellen Werkzeuge erforderlich, abgesehen von dem Einbauwerkzeug. Dieser Gewindeeinsatz ermöglicht es, die Lebensdauer von hochwertigen Produkten zu verlängern, da beschädigte, ausgerissene oder festgefrorene Gewinde effektiv repariert werden können. Die Fixierung des Einsatzes erfolgt mit robusten Keilen, wodurch ein Verdrehen aufgrund von Vibrationen oder Verwindungen verhindert wird. Die passivierte Ausführung garantiert zudem eine hohe Korrosionsbeständigkeit. Mit einem Innengewinde von M12 und einem Außengewinde von M18x1,5 bietet dieser Gewindeeinsatz ausgezeichnete Anpassungsfähigkeit für verschiedene Anwendungen. Vertrauen Sie auf den Gewindeeinsatz 07661-12 für eine effiziente und nachhaltige Lösung in Ihrer Werkstatt.

12,99 €*
Gewindeeinsatz 07660-108 - Einschraubmutter
Der Gewindeeinsatz 07660-108 stellt die perfekte Lösung zur Reparatur und Wiederverwendung beschädigter Gewindebohrungen dar. Er ist nicht nur speziel für den Einsatz in verschiedenen Werkstoffen geeignet, sondern ermöglicht auch die Wiederherstellung der Funktionalität Ihrer hochwertigen Produkte, die möglicherweise aufgrund von Ausrissen oder Festfressen in Mitleidenschaft gezogen wurden. Der Einbau gestaltet sich angenehm unkompliziert und erfordert lediglich ein geeignetes Einbauwerkzeug, sodass Sie keine weiteren Sonderwerkzeuge benötigen. Dieser Gewindeeinsatz, gefertigt aus hochwertigem Edelstahl, garantiert eine herausragende Stabilität und Langlebigkeit. Die spezifischen Maße, wie das Innengewinde M8 und das Außengewinde M12x1,25, stellen sicher, dass der Einsatz vielseitig einsetzbar ist. Dank einer durchdachten Konstruktion mit Arretierkeilen wird die Stabilität während des Betriebs gewährleistet und ein Verdrehen durch Verwindungen oder Vibrationen verhindert. Vertrauen Sie auf die Qualität und Funktionalität dieses Gewindeeinsatzes für Ihre Reparatur- und Montagevorhaben. Technische Hinweise und Details entnehmen Sie bitte der beiliegenden Bedienungsanleitung.

13,99 €*
07661-104 Gewindeeinsatz Einschraubmutter
Entdecken Sie den robusten Gewindeeinsatz, der speziell für Anwendungen mit erhöhten Belastungen entwickelt wurde. Dieser Einsatz ermöglicht es, beschädigte Gewindebohrungen schnell und effektiv zu reparieren, sodass hochwertige Produkte wiederverwendet werden können. Der Gewindeeinsatz eignet sich für verschiedene Werkstoffe, einschließlich Leichtmetallen und Gussteilen, und bietet eine hervorragende Lösung für Ihre Reparaturbedürfnisse. Der Einbau gestaltet sich einfach und schnell, da außer dem Standard-Einbauwerkzeug keine weiteren Spezialwerkzeuge erforderlich sind. Der Einsatz wird mit speziellen Keilen fixiert, um ein Verdrehen durch Vibrationen oder Verwindungen zu verhindern und gewährleistet so eine langfristige Stabilität. Dieser Gewindeeinsatz verfügt über ein Innengewinde von M4 und ein Außengewinde von M8 bei einer Länge von 8 mm. Der optimale Durchmesser für den Einbau beträgt 6,9 mm, während die Senkung um 0,25 mm auf 8,3 mm erhöht wird. Mit einer Mindest-Gewindetiefe von 9,5 mm garantiert dieser Einsatz eine zuverlässige Befestigung. Seine Herstellung aus hochwertigem Edelstahl sorgt zusätzlich für Langlebigkeit und Widerstandsfähigkeit. Die Bestellnummer für die entsprechenden Einbauwerkzeuge lautet 07661-804. Mit einem Gewicht von nur 0,0017 kg ist dieser Gewindeeinsatz leicht zu handhaben und ideal für verschiedenste Anwendungen.

13,99 €*
Gewindeeinsatz 07661-110 (110x125) - Einschraubmutter
Entdecken Sie unseren hochwertigen Gewindeeinsatz, der für eine Vielzahl von Anwendungen konzipiert wurde. Dieser spezielle Gewindeeinsatz aus Edelstahl ermöglicht die Reparatur beschädigter Gewindebohrungen und stellt somit eine kosteneffiziente Lösung für die Wiederverwendung hochwertiger Produkte dar. Mit einem verstärkten Querschnitt ist er besonders geeignet für Einsätze unter erhöhter Belastung.Die Montage erfolgt schnell und einfach, ohne dass zusätzliche Sonderwerkzeuge benötigt werden. Der Einsatz wird sicher mit Keilen fixiert, wodurch ein Verdrehen, vor allem durch Vibrationen oder Verwindungen, wirksam verhindert wird. Unsere Gewindeeinsätze sind für verschiedene Materialien geeignet, einschließlich Leichtmetalle und Gussteile, und bieten in verschiedenen Größen eine hohe Flexibilität.Die Maße des Gewindeeinsatzes sind optimal für zahlreiche Anwendungen ausgelegt. Mit einem Außengewinde von M16x1,5 und einem Innengewinde von M10x1,25 eignet sich der Gewindeeinsatz ideal für die industrielle Nutzung. Vertrauen Sie auf die Qualität unserer Produkte und die leichten Montageeigenschaften unserer Gewindeeinsätze, um die Lebensdauer Ihrer Komponenten erheblich zu verlängern.

14,99 €*